產品展示
80DAR-300A襯膠渣漿泵_膠泵
材質:
橡膠耐腐耐磨材質。
型號意義:
75:出口直徑; DAR:產品系列; C:托架形式。
流量:
25.2-129.6m3/h
揚程:
4.6-36m
功率:
2.2-30kW
應用范圍:
主要用于礦山,冶金,市政,電力,煤碳,石油,化工,建材等行業。
產品描述
售后承諾
訂貨流程
該產品為懸臂、離心泵。采用臥式、垂直軸向中開式雙泵殼結構,內襯為硬質合金具有良好的耐磨、耐腐蝕性和高可靠性。產品結構合理,運行可靠,壽命長等特點。特別適用于中高濃度,強磨蝕工況。
產品性能參數
流量:Q=25.2-129.6m³/h
揚程:H=4.6-36m
轉速:n=800-1800r/min
最高效率:η=59%
出口直徑:d1=76mm
進口直徑:D1=102mm
葉輪直徑:D=245mm
葉輪片數:N=5
許過粒徑:d=28mm
電機功率:P=2.2-30kW
汽蝕余量:NPSHr=2-4.5m
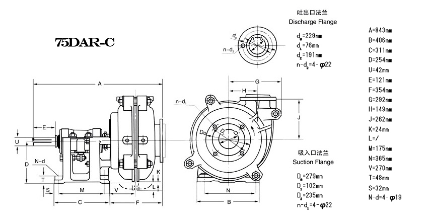
外形尺寸:L×W×H=843×584×516
泵重:Wt.=236kg
產品外形及安裝尺寸圖
![]() |
產品零部件名稱及材質
| 零件名稱 | 代號 | 材質 | 單重(kg) |
| 后護板密封墊 | D3125 | 天然膠 | |
| 軸套 | C075 | 4Cr13 | 2.52 |
| 托架 | C003M | HT200 | 45.00 |
| 水封環 | C063 | 1Cr18Ni9Ti | 1.15 |
| 前水封環 | C118 | 1Cr18Ni9Ti | 1.82 |
| 填料墊 | C067 | 1Cr18Ni9Ti | 0.35 |
| 對開填料壓蓋 | C044 | HT200 | 1.03 |
| 唇口密封圈 | C090 | 丁晴膠 | |
| 泵體 | CAM3032 | HT200 | 59.00 |
| 泵蓋 | D3013 | HT200 | 59.00 |
| 葉輪 膠 | D3147 | 天然膠 | 3.60 |
| 前護套 膠 | D3017 | 天然膠 | 7.50 |
| 后護套 膠 | D3036 | 天然膠 | 7.00 |
| 定位套(填料) | CAM117 | 3Cr13 | 1.87 |
| 定位套(用于減壓蓋) | CAM117E | 3Cr13 | 2.68 |
| 填料箱 | CAM078 | HT200 | 9.00 |
| 填料箱 | CAM078JM | HT200 | 9.00 |
| 減壓蓋 | CAM029 | HT200 | 7.20 |
| 減壓蓋 膠 | CAM029R | 天然膠 | 1.00 |
| 泵蓋螺柱 | D015M | 45 | 1.99 |
| O型圈 | C109 | 丁晴膠 | |
| O型圈 | D064 | 丁晴膠 | |
| 密封墊 | D122 | 天然膠 | |
| 油杯座 | D138 | 20 | 0.29 |
| 付葉輪 | D028 | HT200 | 3.60 |
| O型圈 | D019 | 丁晴膠 | |
| O型圈 | E064 | 丁晴膠 | |
| 吸入口密封墊 | D3060 | 天然膠 | |
| 吐出口密封墊 | D3132XLP | 天然膠 | |
| 軸承體 | C004M | HT200 | 21.00 |
| 軸 | CAM073M | 45 | 19.46 |
| 端蓋 | C024 | HT200 | 2.80 |
| 黃油擋圈 | C046 | HT200 | 0.80 |
| 迷宮套 | C062 | HT200 | 1.70 |
| 螺柱M12×35 | SBB033-82-31 | 45 | 0.07 |
| 英制圓螺母C061 | SBB046-82 | 45 | 0.49 |
| 填料壓蓋螺栓M10×40 | SBB047-82 | 45 | 0.19 |
| 壓緊墊圈C011 | SBB048-82 | 45 | 0.33 |
| 調整螺栓M16×150 | SBB049-82 | 45 | 0.51 |
| 泵體螺柱M16×180 | SBB052-82 | 45 | 0.53 |
| 鍵 12×95 | SBB063-82 | 45 | 0.17 |
| 軸承組件 | CAM005M |
您可電話咨詢 0311-88707799,了解更多詳細產品數據。
掃二維碼用手機看
未找到相應參數組,請于后臺屬性模板中添加
產品中心
渣漿泵
脫硫泵
液下渣漿泵
潛水渣漿泵
泥漿泵_抽沙泵
砂礫泵
單殼泵
襯膠渣漿泵
耐腐蝕泵
渣漿泵配件
關注官方公眾號
