產品展示
50DVZ-300B立式渣漿泵
材質:
高鉻合金耐磨材質。
型號意義:
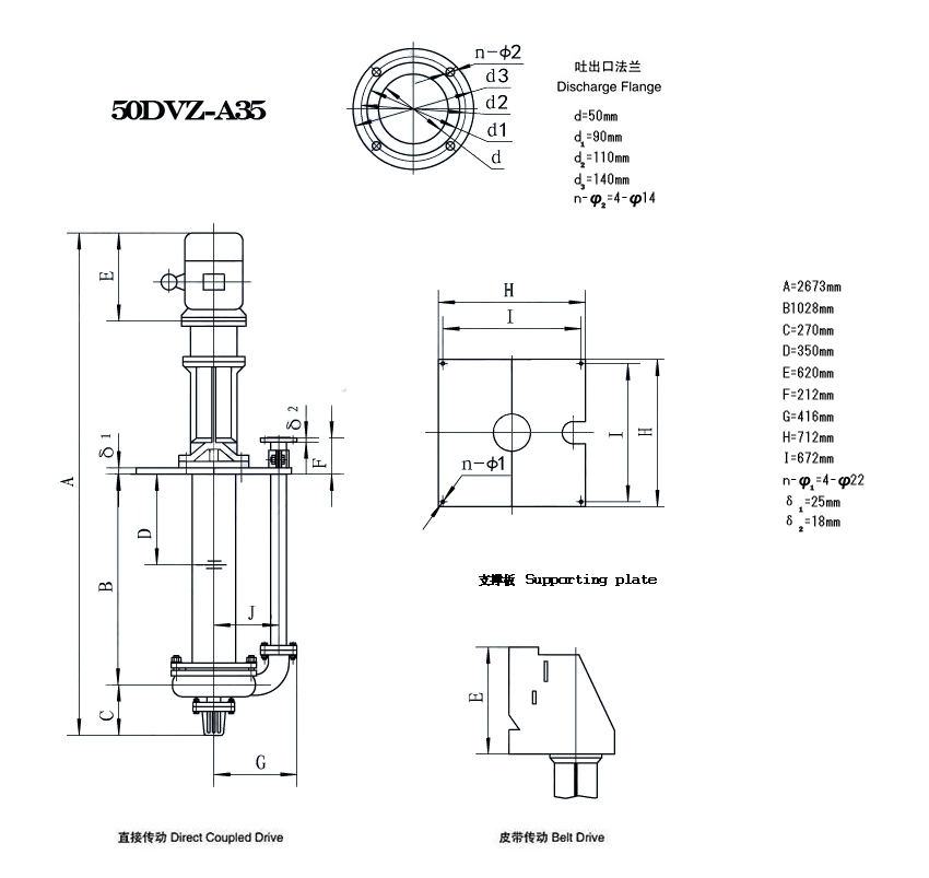
50:出口直徑; DVZ:產品系列; A:葉輪葉片5;35:葉輪直徑35cm。
流量:
19-86m3/h
揚程:
7.3-47.1m
功率:
7.5-22kW
應用范圍:
主要用于礦山,冶金,市政,電力,煤碳,石油,化工,建材等行業。
產品描述
售后承諾
訂貨流程
該產品為立式離心渣漿泵,浸入液下,適于輸送磨蝕性,粗顆粒、高濃度渣漿。不需要任何軸封和軸封水,在吸入量不足的工況下也能正常工作。
產品性能參數
流量:Q=19-86m³/h
揚程:H=7.3-47.1m
轉速:n=700-1470r/min
最高效率:η=48.1%
出口直徑:d1=50mm
葉輪直徑:D=350mm
葉輪片數:N=5
許過粒徑:d=15mm
電機功率:P=7.5-22kW
外形尺寸:L×W×H=2673×712×712
泵重:Wt.=500kg
產品外形及安裝尺寸圖
![]() |
產品零部件名稱及材質
| 零件代號 | 零件名稱 | 單重 | 數量 | 材料名稱材質及規格 | 備注 |
| 50DVZ-35-150-1 | 葉輪 | 30 | 1 | GLH-1 | |
| 50DVZ-35-150-2 | 護套 | 82 | 1 | GLH-1 | |
| 50DVZ-35-150-3 | 后護板 | 22 | 1 | GLH-1 | |
| 65DVZ-30-150-2 | 單端面機械密封 | 1 | 組件 | ||
| 50DVZ-35-150-4 | 后泵殼 | 45 | 1 | QT500-7 | |
| 65DVZ-30-150-4 | 軸承擋套 | 0.3 | 2 | 45 | |
| 65DVZ-30-150-5 | 下軸承壓蓋 | 3.8 | 1 | Q235-A | |
| 65DVZ-30-150-6 | 下軸承體 | 48 | 1 | QT500-7 | |
| 65DVZ-30-150-7 | 軸 | 79 | 1 | 45 | |
| 65DVZ-30-150-8 | 支架 | 84 | 1 | ||
| 50DVZ-30-150-5 | 支撐板 | 75 | 1 | 組件 | |
| 65DVZ-30-150-10 | 上軸承體 | 46 | 1 | QT500-7 | |
| 65DVZ-30-150-11 | 上軸承壓蓋 | 3.5 | 1 | Q235-A | |
| 65DVZ-30-150-12 | 圓螺母M52×1.5(左) | 0.2 | 1 | 45 | |
| 50DVZ-35-150-6 | 電機支座 | 79 | 1 | Q235-A | |
| 65DVZ-35-150-13 | 電機支座 | 79 | 1 | Q235-A | |
| 65DVZ-30-17 | 鍵C16×110 | 1 | 45 | ||
| 65DVZ-35-21 | 彈性聯軸器 | 30 | 1 | HT200 | 組件 |
| 50DVZ-35-150-8 | 出水管 | 15 | 1 | ||
| 50DVZ-35-150-9 | 下濾網 | 4 | 1 | Q235-A | |
| 50DVZ-35-150-10 | 加長吸入管 | 7 | 1 | ||
| 260*4 | O型圈 | 1 | 丁晴橡膠 | 膠接 | |
| 360*4 | O型圈 | 1 | 丁晴橡膠 | 膠接 | |
| NU212E | 軸承 | 1 | |||
| 7212AC | 軸承 | 2 |
您可電話咨詢 0311-88707799,了解更多詳細產品數據。
掃二維碼用手機看
未找到相應參數組,請于后臺屬性模板中添加
上一個
50DVZ-500A立式渣漿泵
下一個
40DVZ-B25立式渣漿泵
產品中心
渣漿泵
脫硫泵
液下渣漿泵
潛水渣漿泵
泥漿泵_抽沙泵
砂礫泵
單殼泵
襯膠渣漿泵
耐腐蝕泵
渣漿泵配件
關注官方公眾號
