產品展示
1.5/1B-AH工業渣漿泵
廣范應用于冶金、礦山、煤碳、化工、電廠、抽沙、環保、市政工程等行業。
產品概述
該產品為懸臂、離心泵。采用臥式、垂直軸向中開式雙泵殼結構,內襯為硬質合金具有良好的耐磨、耐腐蝕性和高可靠性。產品結構合理,運行可靠,壽命長等特點。特別適用于中高濃度,強磨蝕工況。
產品用途
廣范應用于冶金、礦山、煤碳、化工、電廠、抽沙、環保、市政工程等行業。
產品性能參數
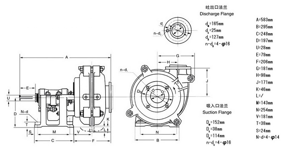
流量:Q=12.6-28.8m³/h
揚程:H=6-68m
轉速:n=1200-3800r/min
最高效率:η=40%
出口直徑:d1=25mm
進口直徑:D1=38mm
葉輪直徑:D=152mm
葉輪片數:N=5
許過粒徑:d=14mm
電機功率:P=2.2-15kW
汽蝕余量:NPSHr=2-4m
外形尺寸:L×W×H=583×362×368
泵重:Wt.=91kg
產品外形及安裝尺寸圖

產品中心
渣漿泵
脫硫泵
液下渣漿泵
潛水渣漿泵
泥漿泵_抽沙泵
砂礫泵
單殼泵
襯膠渣漿泵
耐腐蝕泵
渣漿泵配件
關注官方公眾號